Здравствуйте!
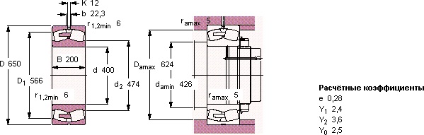
Подшипник
Технические характеристики:
Размер (dxDxh) мм: 400x650x200
Дополнительная информация:
Роликовые подшипники. Сферические роликоподшипники, цилиндрические отверстия;
Динамическая грузоподъемность C=4500-4700 кН;
Статическая грузоподъемность C=7600-8800 кН;
Граничная нагрузка по усталости Pu= 530-650 кН;
Номинальная частота вращения – не менее 500 об./мин.;
C3 - Внутренний зазор подшипника больше нормального (CN);
W 33 –кольцевая канавка и 3 смазочных отверстия в наружном кольце.
