• Hello Customer - Log in or Register!
Date: 2016-08-22

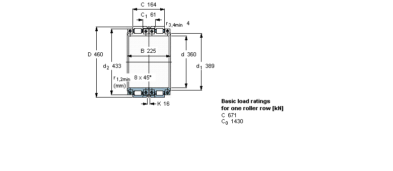
SKF BCRB 322442 bearing stock, Dimensions, Drawing

d 640mm split double row
D 805mm Cylindrical roller bearings,
B 380mm  Principal dimensions
c 290mm  Principal dimensions
c 3520kN dynamic Basic load ratings
Co 10400kN static static|Basic load ratings
Pu 780kN limit Fatigue
Min 0,23mm  clearance Radial internal
Max 0,39mm  clearance Radial internal
Mass 440KG  
Bearing BCRB 322442  Designations
Co: 10400kN static static|Basic load ratings
Max: 0,39mm  clearance Radial internal
c: 3520kN dynamic Basic load ratings
Min: 0,23mm  clearance Radial internal
Mass: 440KG  
c: 290mm  Principal dimensions
Bearing: BCRB 322442  Designations
Pu: 780kN limit Fatigue



Previous: SKF BCRB 326245 bearing stock, Dimensions, Drawing
Next: SKF NNCF 5068 CV bearing stock, Dimensions, Drawing

Hot Products:
Product Model Inside Diameter Outside Diameter Thickness
7008CD/P4ATBTB bearing 40 68 45
7008CD/P4ATBTA bearing 40 68 45
【TradeBearings News Statement】

1.The news above mentioned with detailed source are from internet.We are trying our best to assure they are accurate ,timely and safe so as to let bearing users and sellers read more related info.However, it doesn't mean we agree with any point of view referred in above contents and we are not responsible for the authenticity. If you want to publish the news,please note the source and you will be legally responsible for the news published.
2.All news edited and translated by us are specially noted the source"TradeBearings".
3.For investors,please be cautious for all news.We don't bear any damage brought by late and inaccurate news.
4.If the news we published involves copyright of yours,just let us know.