• Hello Customer - Log in or Register!
Date: 2017-08-03

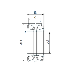
bearings 120KBE02 size: 120x215x78 NACHI

Bearing 120KBE02
Tapered roller bearings 120KBE02
Bearing number : 120KBE02

Size (mm) : 120x215x78
Brand : NACHI
d (mm) : 120
D (mm) : 215
B (mm) : 78
Bearing dimensions and specification in brand catalogue :
d - 120 mm
D - 215 mm
B1 - 97 mm
C - 78 mm
r min. - 3 mm
r1 min. - 1 mm
Weight - 12.9 Kg
Basic dynamic load rating (C) - 515 kN
Basic static load rating (C0) - 880 kN
Calculation factor (e) - 0.43
Calculation factor (Y0) - 1.52
Calculation factor (Y1) - 1.55
Calculation factor (Y2) - 2.31


Previous: Radial spherical plain bearings 120FSH210 size: 120x210x70 Timken
Next: bearings 120KBE03 size: 120x260x101 NACHI

Hot Products:
Product Model Inside Diameter Outside Diameter Thickness
LRTZ708031 bearing 70 80 31
LRTZ708055 bearing 70 80 55
【TradeBearings News Statement】

1.The news above mentioned with detailed source are from internet.We are trying our best to assure they are accurate ,timely and safe so as to let bearing users and sellers read more related info.However, it doesn't mean we agree with any point of view referred in above contents and we are not responsible for the authenticity. If you want to publish the news,please note the source and you will be legally responsible for the news published.
2.All news edited and translated by us are specially noted the source"TradeBearings".
3.For investors,please be cautious for all news.We don't bear any damage brought by late and inaccurate news.
4.If the news we published involves copyright of yours,just let us know.